TitanPro Cutting TitanPro Cutting

SHXJ2200 CNC wire saw stone profiling machine

Type: CNC Cutting Machine
Usage: Fire Brick, Red Brick, Jadestone, Cement Brick, Concrete Curb, Granite, Marble
Application: Machinery & Hardware, Art & Craft, Construction, Stone Industry

Product Description

1

Machine Function

The machine is mainly used for processing the profile of marble and granite. It is highly efficient for processing arc slabs of different specifications, solid columns, hollow columns, large stone lines, and English letters, etc.
2

Basic Specifications

Model NO.
SHXJ12200
Source Voltage
380V
Automation
Automatic
Cutting Ability
High Speed
Control
CNC
Certification
ISO, CE
Condition
New
Container Type
40HQ(HC)
Transport Package
by Film Package
HS Code
84641090
Capacity
1000
Specification
Max cutting size: 3500× 2000× 1500mm
3

Brief Introduction of Wire Saw Machine

Five axes CNC control: Y (Up-down), X (Trolley), A (Left guide wheel), B (Right guide wheel), and C (Table rotation). Supports AutoCAD DXF formats via USB interface for automatic program generation.
Steady structure including top beam, upright columns, and hydraulic tensioning unit. Speed is adjustable between 0-40m/s via inverter to suit different stone materials.
Equipped with four guide wheels (Diameter: 200mm) protected by replaceable rubber liners. Rotation is controlled by step motors to match the cutting shape.
Electric system for adjusting cutting width according to stone size, reducing the arch value during diamond wire cutting.
High-capacity trolley table (2000 x 3000 mm) with a maximum capacity of 50 Tons.
Patent-protected worktable design running on oil-soaked lead screws and rails within a closed cover to protect against dust and water.
Safety systems include an automatic alarm for wire breakage and a cooling system that stops the machine if water flow is insufficient.
4

Technical Parameters

Parameters SHXJ2200 Details
Diameter of WireΦ8 - Φ11 mm
Length of Wire21350 mm
Speed of Wire0 - 40 m/s
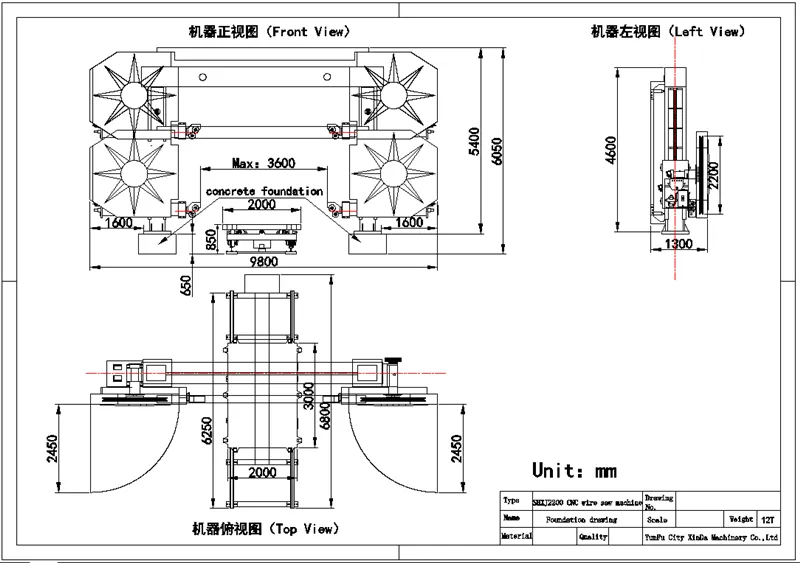
Worktable Size3000 × 2000 mm
Worktable Load Capacity50 T
Max Cutting Size (L×W×H)3600 × 2000 × 2100 mm
Production Efficiency1-2m²/h (Marble) / 0.5-2m²/h (Granite)
Main Motor Power15 KW
Total Power24.03 KW
Water Consumption3 m³/hour
Total Weight12 T
Overall Dimension9800 × 6800 × 5400 mm
5

Schematic & Components

6

Exhibition Display

?

Frequently Asked Questions

What are the payment terms for the machine?
A 30% down payment of the total value is required to place the order and start production. The remaining 70% balance must be paid before the machine is loaded into the container.
What is the estimated delivery time?
The wire saw machine is typically ready for shipment within 15 weekdays after the down payment is received.
How long is the guarantee period?
The machine comes with a one-year warranty. Please note that man-made accidents and natural disasters (lightning, floods, earthquakes) or incorrect voltage usage are not covered.
Do you provide installation services?
Yes, we have specialized engineers available for overseas installation. We can dispatch a technician at any time if requested by the customer.
Is technical support available after purchase?
We offer 24-hour online technical support to ensure your machine operates smoothly at all times.
What materials can this CNC wire saw process?
The machine is primarily designed for high-speed profiling of marble and granite, including complex shapes, columns, and slabs.

Related Products